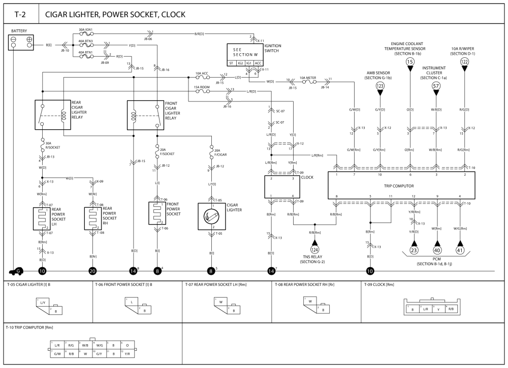
Kia Sorento Wiring Diagram, Main Wiring - 2017 Kia Sorento

Kia Sorento Wiring Diagram Wiring Diagram Pdf: 2003 Kia Sorento Wiring Diagram Click Image For Larger

[sm_0580] kia spectra wiring wiring diagram

Diagrams wiring electrical kia sorento. Wiring diagram sorento kia i0 source. Kia sorento wiring diagram download pics. Electrical wiring diagrams for kia sorento l download free

Kia Sportage Reverse Light Wiring Diagram - firstkiarumor.co

Kia Sportage Reverse Light Wiring Diagram - firstkiarumor.co

Fuse Box Diagram For 2011 Kia Sorento | schematic and wiring diagram

Fuse Box Diagram For 2011 Kia Sorento | schematic and wiring diagram

2013 Kia Sorento Custom Fit Vehicle Wiring - Curt

2013 Kia Sorento Custom Fit Vehicle Wiring - Curt

2011 Kia Sorento Serpentine Belt Diagram - General Wiring Diagram

2011 Kia Sorento Serpentine Belt Diagram - General Wiring Diagram

2015 Kia Soul Radio Wiring Diagram | Kia, Kia sorento, Kia soul

2015 Kia Soul Radio Wiring Diagram | Kia, Kia sorento, Kia soul

Komentar